邁世·機房監控體驗端
咨詢熱線
400-030-5510





本產品采用電磁隔離原理、專業MCU控制器,隔離測量三相四線制電路的三相交流電壓、三相電流、總有功功率、無功功率、功率因數、各單相功率、頻率、正反向總有功電度等電參量電壓,輸出RS-485數字信號。
400-030-5510
本產品采用電磁隔離原理、專業MCU控制器,隔離測量三相四線制電路的三相交流電壓、三相電流、總有功功率、無功功率、功率因數、各單相功率、頻率、正反向總有功電度等電參量電壓,輸出RS-485數字信號。本產品外置精密互感器直接測量高達1000A的電流,采用真有效值測量、全參數輸出、具有極優的性價比。采用卡裝式結構,體積小巧、安裝方便,是電力參數采集行業的首選模塊。
適用于政府、電力、軍隊、銀行、電信、教育、醫院、機場、鐵路、工廠、酒店、倉庫、交通等行業,專為計算機網絡機房、通信機房、通信基站、電力基站、變電站、居民配電所、UPS機房、蓄電池組機房、戶外機柜、無人值守現場、倉庫等場景的三相電能計量與監測。
| 產品型號 | OM-ACM-A801 | 電源 | DC+10~30V供電,峰值電壓不得超過+40V;典型功耗:≤0.5W |
|---|---|---|---|
| 通信接口 | RS485 MODBUS-RTU標準規約,可選DLT645規約 | 安裝方式 | 35mm 標準DIN導軌安裝 |
| 波特率 | 默認9600,可選2400,4800,9600 數據格式N ,8,1 | 溫度漂移 | ≤50ppm/℃ |
| 三相交流輸入 |
輸入頻率:工頻,45~65Hz; 電壓量程(相電壓):70V、120V、260V、450V等可選; 電流量程:外置互感器可選; 信號處理:采用專用測量芯片,24位AD,6通道4.8K同步采樣; 數據更新周期:0.04S~1.00S可配置; 過載能力:1.2倍量程可持續;瞬間電流5倍,電壓3倍量程不損壞; 輸入阻抗:電壓通道>1 kΩ/V;電流通道≤10mΩ; |
工作環境 |
工作溫度:-20~+70℃;存放溫度:-40~+85℃; 相對濕度:5~95%,無結露(在40℃下); 海拔高度:0~3000米; 環境:無爆炸、腐蝕氣體及導電塵埃,無顯著搖動、振動和沖擊的場所; |
| 測量輸出數據 | 電壓、電流、功率、電能等多個電參量 | 模塊尺寸 | 118×36×59mm |
| 測量精度 | 電壓、電流:±0.2%FS;電量:±0.5%FS;有功電度1級 | 認證 | 第三方檢測報告 |
| 隔離 | DC供電電源、RS-485接口間為共地,與電壓輸入、電流輸入之間相互隔離;隔離耐壓2500VDC | ||
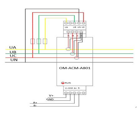
接線前要確保斷開所有信號源,避免發生危險及損壞設備。檢查確認接線無誤后,再接通電源測試。
接通電源后,通訊端子A+與B-間的LED運行指示燈會根據設置的數據更新速率同步閃爍,通訊時會變速閃爍。
產品出廠時,均設置為默認配置:地址1號、波特率9600bps、數據格式“n,8,1”、數據更新速率為600ms、變比為1;
智慧機房在線體驗
邁世·機房監控體驗端
400電話
微信掃一掃