邁世·機房監控體驗端
咨詢熱線
400-030-5510




RS485轉TCP/IP模塊是一款單串口服務器,實現RJ45 網口與 RS485接口之間直接的數據透明傳輸的設備。搭載 ARM 處理器,功耗低,速度快,穩定性高。內部集成了 TCP/IP 協議棧,用戶借助該產品可以輕松完成嵌入式設備的網絡功能,可用于轉換智能設備的接口,如UPS、精密空調等,以便接入網絡,聯網監控。
400-030-5510
RS485轉TCP/IP模塊是一款單串口服務器,實現RJ45 網口與 RS485接口之間直接的數據透明傳輸的設備。搭載 ARM 處理器,功耗低,速度快,穩定性高。內部集成了 TCP/IP 協議棧,用戶借助該產品可以輕松完成嵌入式設備的網絡功能,可用于轉換智能設備的接口,如UPS、精密空調等,以便接入網絡,聯網監控。
適用于政府、電力、軍隊、銀行、電信、教育、醫院、機場、鐵路、工廠、酒店、倉庫、交通等行業,專為計算機網絡機房、通信機房、通信基站、電力基站、變電站、居民配電所、UPS機房、蓄電池組機房、戶外機柜、無人值守現場、倉庫等場景的智能設備接口轉換。
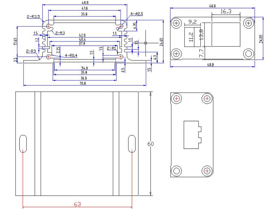
| 產品型號 | OM-ACC-A108 | 軟件 |
虛擬串口:Windows2000或更高 配置方式:上位機設置軟件,串口指令,內置網頁 |
|---|---|---|---|
| 處理器 | ARM | 基本參數 |
尺寸:71*60*25mm 工作溫度:-25~75℃ 保存溫度:-40~105℃,5-95%RH(無凝露) 輸入電壓:DC4.75-7.0V 工作電流:150mA 功耗:<1W |
| 以太網 |
端口數:1個 接口標準:RJ45 速率:10/100Mbps自適應 保護:2KV電磁隔離,外殼隔離保護 網路協議:IP、TCP、UDP、ARP、ICMP 緩存:發送 6Kbyte,接收 4Kbyte |
產品認證 | 第三方檢測認證報告 |
智慧機房在線體驗
邁世·機房監控體驗端
400電話
微信掃一掃